農機具ならアグリズ!中古農機具並みの格安通販店
保証・メンテナンス対応OK!領収書発行対応!後払いOK!
商品カテゴリーから探す
※在庫あり表記の場合
13時までの代金引換・クレジットカード決済で 中の出荷が可能です。

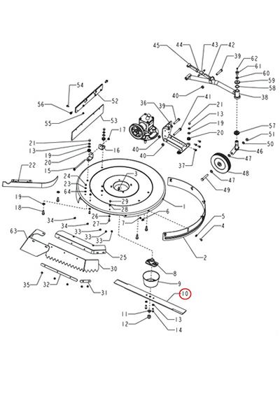
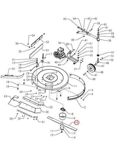
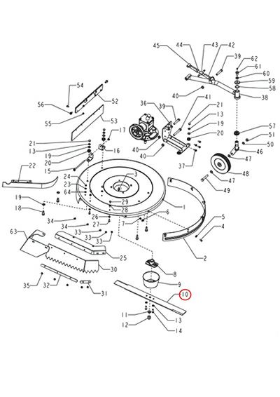
【部品】 共立 AM71B バーナイフ

商品番号 krz-80144582100
メーカー希望小売価格(税込) ¥ 0
販売価格: ¥ 10,296 税込
[ 187 ポイント進呈 ]
送料個別 ¥ 0
お支払方法
カートに戻る

商品詳細説明


商品情報

  • 商品説明
  • スペック